收藏试卷 下载Word 导出试卷 打印试卷 试卷白板

武汉市2026.3月届高中毕业生《物理》调研考试试卷与答案



单选题 (共 7 题 ),每题只有一个选项正确
考古界常用碳 $14\left({ }_6^{14} \mathrm{C}\right)$ 测年技术来鉴定文物,已知 ${ }_6^{14} \mathrm{C}$ 的衰变方程为 ${ }_6^{14} \mathrm{C} \rightarrow{ }_7^{14} \mathrm{~N}+\mathrm{X}$ ,下列说法正确的是
$\text{A.}$ 上述方程中 X 为 ${ }_0^1 \mathrm{n}$ $\text{B.}$ ${ }_6^{14} \mathrm{C}$ 衰变过程质量数不守恒 $\text{C.}$ ${ }_6^{14} \mathrm{C}$ 的半衰期随温度的升高而缩短 $\text{D.}$ 文物中 ${ }_6^{14} \mathrm{C}$ 的含量越低,其年代越久远

超级充电站是一种高功率充电设施,用于为新能源汽车提供快速充电服务。其结构可简化为如图所示的电路,理想变压器输人端电压为 $e=380 \sqrt{2} \sin 100 \pi t(\mathrm{~V})$ ,输出电压为 1000 V ,单桩功率为 350 kW ,下列说法正确的是

$\text{A.}$ 变压器原副线圈的匝数比为 19 : 50 $\text{B.}$ 变压器输人端电压的有效值是 $380 \sqrt{2} \mathrm{~V}$ $\text{C.}$ 流过充电桩的电流在 1 s 内方向改变 50 次 $\text{D.}$ 当变压器同时对 8 个充电桩供电,流过原线圈的电流为 $2.8 \times 10^3 \mathrm{~A}$

近日,中国宣布拟在 $700 \sim 800 \mathrm{~km}$ 高度的晨昏轨道建设由多颗卫星组成的大型数据中心系统,以纾解地面数据中心耗电、散热等难题。已知晨昏轨道是一种特殊的太阳同步轨道,轨道面与地球晨昏线(黑夜与白昼的分界线)始终近似重合。下列说法正确的是


$\text{A.}$ 晨昏轨道卫星不可能在更低的高度运行 $\text{B.}$ 晨昏轨道卫星的发射速度大于 $7.9 \mathrm{~km} / \mathrm{s}$ $\text{C.}$ 该数据中心系统绕地球运行的周期约为 1 h $\text{D.}$ 以太阳为参考系,晨昏轨道卫星的轨道面是静止的

如图所示,边长为 $l$ 的正方形导线框以恒定速度 $v$ 沿 $x$ 轴运动,并穿过磁感应强度大小为 $B$ 的匀强磁场区域。线框中的感应电流为 $i$ ,受到的安培力为 $F$ ,如果以逆时针方向作为感应电流的正方向,$x$ 轴正方向作为安培力的正方向,线框在图示位置的时刻开始计时,$i 、 F$ 随时间变化的图像正确的是
$\text{A.}$ $\text{B.}$ $\text{C.}$ $\text{D.}$

中国传统乐器竹笛的发声原理为空气柱振动,理论振动频率满足 $f=\frac{k v}{L}$(式中 $v$ 为声速, $L$ 为空气柱长度,$k$ 为常数)。如图所示为某 6 孔竹笛,孔 1 、孔 6 到吹孔的间距分别约为 $31.8 \mathrm{~cm} 、 17.2 \mathrm{~cm}$ ,贴上笛膜吹奏,仅开孔1(其余5 孔闭合)时发出的声波波长约为 $76 \mathrm{~cm}_{\circ}$ 。已知声波在空气中传播时,温度越高声速越大。下列说法正确的是

$\text{A.}$ 仅开孔 6 时发出的声波波长约为 41.1 cm $\text{B.}$ 仅开孔 6 时发出的声波波长约为 140.5 cm $\text{C.}$ "小寒"时竹笛发声的频率高于"大暑"时竹笛发声的频率 $\text{D.}$ "小寒"时竹笛发声的频率等于"大暑"时竹笛发声的频率

如图所示,水平面内有一边长为 $L$ 、通有恒定电流的正六边形线圈,$O$ 点为正六边形的中心,$M$ 点为中心轴线上的一点,且 $M O=1.5 L$ ,若 $A B$ 段电流在 $M$ 点产生的磁感应强度大小为 $B_0$ ,则 $M$ 点的磁感应强度大小为
$\text{A.}$ $6 B_0$ $\text{B.}$ $3 B_0$ $\text{C.}$ $2 B_0$ $\text{D.}$ $B_0$

毽球是由中国传统踢毽子发展而来的竞技体育项目,最早可追溯至汉代民间"蹴毛丸"活动。建球比赛在场地中央设网,运动员仅能用头、脚及身体触球完成进攻与防守,通过将建球击人对方场区得分。已知球网网高 1.5 m ,某同学在球网前 1.2 m 、距离地面 0.6 m 处,将建球击出。不计空气阻力,建球可视为质点,重力加速度大小为 $10 \mathrm{~m} / \mathrm{s}^2$ ,则该同学将建球踢回对方场区的最小初速率为
$\text{A.}$ $\sqrt{6} \mathrm{~m} / \mathrm{s}$ $\text{B.}$ $2 \sqrt{2} \mathrm{~m} / \mathrm{s}$ $\text{C.}$ $2 \sqrt{6} \mathrm{~m} / \mathrm{s}$ $\text{D.}$ $5 \mathrm{~m} / \mathrm{s}$

多选题 (共 3 题 ),每题有多个选项正确
在 $x$ 轴上的 $M 、 N$ 两点放置着电荷量为 $+2 q$ 和 $-q$ 的两个点电荷,在纸平面内其周围的部分电场线分布如图,已知 $b$ 点的电场强度的方向恰好垂直于 $x$ 轴。下列说法正确的是
$\text{A.}$ 从 $N$ 点沿 $x$ 轴正向至无穷远,电场强度大小一直减小 $\text{B.}$ 从 $N$ 点沿 $x$ 轴正向至无穷远,电势先升高后降低 $\text{C.}$ 在 $a$ 点由静止释放一试探电荷,其将沿电场线运动 $\text{D.}$ 在 $b$ 点将一正试探电荷以合适的初速度发射,其可能做匀速圆周运动

如图所示,储油桶的底面直径与高均为 $d$ ,当桶内没有油时,一束激光恰能从 $A$ 点经桶上边沿射至桶底边缘的 $B$ 点。保持人射方向不变,往桶内均匀注油,油的深度匀速增加。当油的深度等于桶高的一半时,光斑移至桶底 $C$ 点,且 $B C=\frac{d}{4}$ 。下列说法正确的是
$\text{A.}$ 光在油中的折射率为 $\frac{\sqrt{10}}{2}$ $\text{B.}$ 光在油中的折射率为 $\sqrt{3}$ $\text{C.}$ 桶底的光斑匀速移动 $\text{D.}$ 桶底的光斑加速移动

如图所示,轻质弹簧(未与水平面接触)的左端固定在坚直墙壁上,右端与质量为 1 kg的小物块连接。已知弹簧的劲度系数为 $20 \mathrm{~N} / \mathrm{m}$ ,且弹簧处于原长时,其右端位于 $O$点,物块与水平面之间的动摩擦因数为 0.3 。现将物块水平向右拉至距 $O$ 点 0.9 m 处的 $C$ 点后,由静止释放。已知弹簧弹性势能 $E_{\mathrm{p}}=\frac{1}{2} k x^2(k$ 为弹簧的劲度系数,$x$ 为弹簧的形变量),重力加速度大小为 $10 \mathrm{~m} / \mathrm{s}^2$ 。下列说法正确的是
$\text{A.}$ 物块做简谐运动 $\text{B.}$ 物块释放瞬间的加速度大小为 $18 \mathrm{~m} / \mathrm{s}^2$ $\text{C.}$ 物块的最大动能为 5.625 J $\text{D.}$ 物块最终静止在 $O$ 点

填空题 (共 2 题 ),请把答案直接填写在答题纸上
某小组用智能手机测重力加速度的大小。如图所示,先将手机固定在支架上,正对坚直放置的毫米刻度尺,再调节手机至慢动作模式,并将帧率设置为 120 fps (即 1 s 拍摄 120张照片)。开启手机录制视频,让小钢球从刻度尺上方静止释放,最后导出照片。实验中每间隔 1 帧选取 1 张照片,记录小钢球球心对应的刻度尺读数如下表。



1)选取后的连续两张照片拍摄的时间间隔 $\Delta t=$ $\_\_\_\_$ s (结果用分式表示);
(2)拍摄第 4 张照片时,小钢球下落的速度大小 $v=$ $\_\_\_\_$ $\mathrm{m} / \mathrm{s}$(结果保留 3 位有效数字);
(3)分析表中数据,测得的重力加速度大小 $g=$ $\_\_\_\_$ $\mathrm{m} / \mathrm{s}^2$(结果保留3位有效数字)。

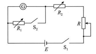
某小组测量满偏电流 $I_{\mathrm{g}}=10 \mathrm{~mA}$ 的电流表的内阻。实验室提供电动势为 $E$ 的电源、电阻箱 $R_1$ 和 $R_2$ 、阻值较大的滑动变阻器 $R$ 、两个开关 $\mathrm{S}_1$ 和 $\mathrm{S}_2$ 及若干导线。按照如图所示的电路连接。


实验步骤如下:
① 将滑动变阻器 $R$ 的阻值调至最大,电阻箱 $R_2$ 的阻值调为零;
② 闭合开关 $\mathrm{S}_1$ ,断开开关 $\mathrm{S}_2$ ,调节滑动变阻器 $R$ ,使电流表满偏;
③ 闭合开关 $\mathrm{S}_2$ ,仅调节电阻箱 $R_1$ ,使电流表半偏,记下此时电阻箱 $R_1$ 的阻值 $R_0$ 。
(1)若忽略闭合开关 $\mathrm{S}_2$ 前后电路中总电流的变化,则电流表内阻的测量值 $R_{\text {g精 }}=$ $\_\_\_\_$ ,该测量值 $\_\_\_\_$真实值(选填"大于""小于"或"等于");
(2)电流表内阻测量结果的相对误差的计算式为 $\delta=\frac{\left|R_{\mathrm{g} \text { 油 }}-R_{\mathrm{g} \text { 真 }}\right|}{R_{\mathrm{g} \text { 真 }}}$ ,经理论推导, $\delta=\frac{I_{\mathrm{g}} R_{\mathrm{g} \text { 真 }}}{E}$ ,若 $R_{\mathrm{g} \text { 真 }}=30 \Omega$ ,要使 $\delta \leqslant 5 \%$ ,电源电动势最小应为 $\_\_\_\_$ V;
(3)某同学经理论推导和实验验证发现,将上述步骤(3)中"仅调节电阻箱 $R_1$"改为 "反复同步调节电阻箱 $R_1$ 和 $R_2$ ,始终保证两电阻箱 $R_1$ 和 $R_2$ 的阻值满足关系式:
$\_\_\_\_$ ",直到电流表半偏时,电阻箱 $R_1$ 的阻值就等于电流表的内阻。

解答题 (共 3 题 ),解答过程应写出必要的文字说明、证明过程或演算步骤
截至 2025 年 11 月,采用我国自主研发的核心技术建造的 27 万立方米超大型液化天然气(LNG)储罐数量已达 18 座,在全球同类型储罐中占比近七成,数量位居世界第一。某加气站一储罐容积为 $300 \mathrm{~m}^3$ ,在进行气密性测试时,对储罐内压强为 1.20 MPa 、温度为 $7^{\circ} \mathrm{C}$ 的空气(可视为理想气体)缓慢加热,使储罐内空气压强达到设计压强 1.44 MPa 。
(1)求温度应升至多少?
(2)完成测试后,打开泄压阀,当储罐内空气压强等于 1.35 MPa 时停止泄放,泄放过程可视为等温变化,求泄放出的空气占原有空气质量的百分比。

如图所示,直角坐标系 $x O y$ 第一、二象限内存在沿 $y$ 轴正方向的匀强电场,电场强度大小为 $E$ ,第三、四象限内存在垂直于 $x O y$ 平面向里的匀强磁场,磁感应强度大小为 $B$ 。一带负电的粒子(重力不计),从 $y$ 轴上的 $(0, h)$ 点,以平行于 $x$ 轴的速度 $v_0$ 射人第一象限,并从 $x$ 轴上的 $(h, 0)$ 点(图中未标出)射出电场区域。
(1)求粒子的比荷;
(2)保持粒子的速度方向不变,速度大小增大为 $v$(大小未知),若粒子恰经过 $(h, h)$点。求
i.粒子第一次穿越磁场,沿 $x$ 轴向左平移的距离;
ii.粒子的速度大小 $v$ 的取值。


如图所示,光滑水平面上静置一凹槽,凹槽由两个半径均为 $R$ 的四分之一光滑圆轨道和一个长度为 $4 R$ 的平直轨道平滑连接而成。现将一小物块从左侧圆轨道顶端的 $A$ 点由静止释放,已知物块与平直轨道间的动摩擦因数为 0.04 ,物块与凹槽的质量相等,重力加速度大小为 $g$ 。
(1)求物块第一次运动到左侧圆轨道底端 $B$ 点时的速度大小;
(2)求从物块释放至其最终停止运动,物块的水平位移大小;
(3)若水平面粗糙,且最大静摩擦力等于滑动摩擦力,为使在物块运动过程中凹槽始终保持静止,凹槽与水平面间的动摩擦因数至少多大?

非会员每天可以查看15道试题。 开通会员,海量试题无限制查看。

  • 无限看试题

  • 下载试题

  • 组卷
开通会员

热点推荐

试卷二维码

分享此二维码到群,让更多朋友参与

试卷白板

试卷白板提供了一个简单的触摸书写板,可供老师上课、或者视频直播时, 直接利用白板给学生讲解试题,如有意见,欢迎反馈。