• 试题 ID 37886


【所属试卷】 圆周运动提高训练

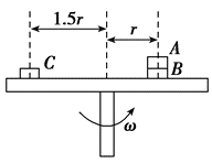
如图,叠放在水平转台上的物体 $A 、 B 、 C$ 能随转台一起以角速度 $\omega$ 匀速转动,$A 、 B 、 C$ 的质量分别为 $3 m 、 2 m 、 m, A$ 与 $B 、 B$ 和 $C$ 与转台间的动摩擦因数都为 $\mu, A$ 和 $B 、 C$ 离转台中心的距离分别为 $r 、 1.5 r$ .设本题中的最大静摩擦力等于滑动摩擦力,下列说法正确的是( )

A $B$ 对 $A$ 的摩擦力一定为 $3 \mu \mathrm{mg}$
B $B$ 对 $A$ 的摩擦力一定为 $3 m \omega^2 r$
C 转台的角速度一定满足 $\omega \leqslant \sqrt{\frac{\mu g}{r}}$
D 转台的角速度一定满足 $\omega \leqslant \sqrt{\frac{2 \mu g}{3 r}}$
E
F
答案:

答案与解析仅限VIP可见

解析:

答案与解析仅限VIP可见